Inkommatkader Proma-jan Geanodiseerd Aluminium






| Code / € | Stock | Vanaf 0 STK |
|---|---|---|
| ART260377 | Bij te bestellen (stockbreuk) | 63,95 |
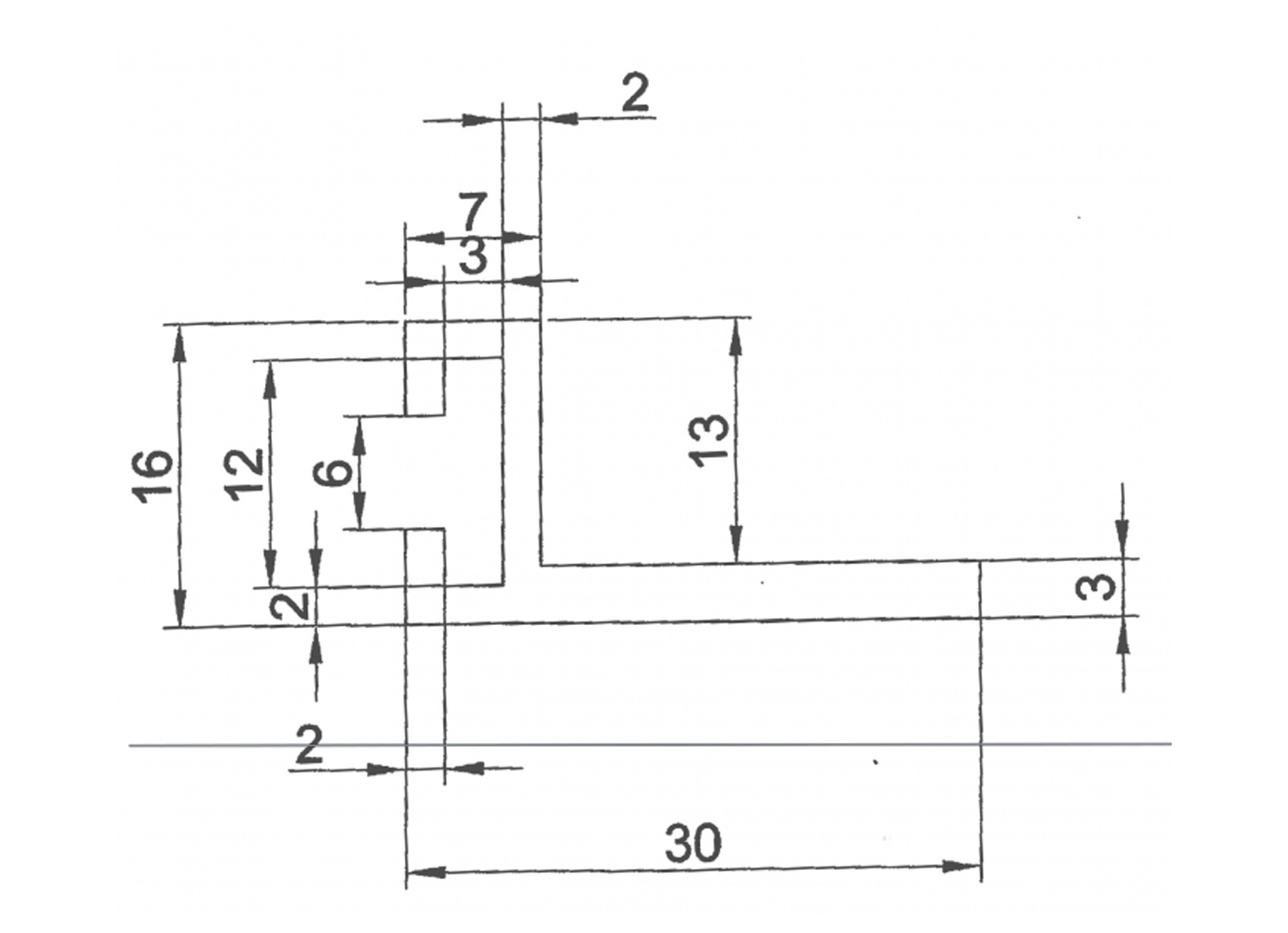
Geanodiseerd alu vloermatkader 30x16x3 mm met verankeringsprofiel
- Geanodiseerd aluminium profiel 30 x 16 x 3 mm
- Bovenrand van 7 mm voor extra stabiliteit
- Doorlopende verankeringsprofilering
- Hoekversterking in verzinkt staal
- Vlakke plaatsing zonder struikelgevaar
- Geschikt voor rechte en onregelmatige vormen
Het PROMA-JAN inkommatkader in natuurkleurig geanodiseerd aluminium is ontworpen voor een duurzame en professionele integratie van inkommatten in betegelde vloeren. Met een profielafmeting van 30 x 16 x 3 mm is dit aluminium vloermatkader bijzonder geschikt voor situaties met beperkte inbouwdiepte.
De bovenrand van 7 mm zorgt voor extra stabiliteit en een strakke aansluiting met de omliggende vloerafwerking. Dankzij de doorlopende verankeringsprofilering wordt het kader stevig verankerd in chape of tegellijm, waardoor verschuiving of loskomen wordt voorkomen.
De geïntegreerde hoekversterking in verzinkt staal garandeert een onvervormbaar geheel, zelfs bij intensief gebruik in commerciële of publieke ruimtes. Dit inkommatprofiel laat bovendien toe om ook onregelmatige vormen te realiseren, wat extra flexibiliteit biedt bij renovatie- en nieuwbouwprojecten.
Belangrijkste Kenmerken
- Materiaal: natuurkleurig geanodiseerd aluminium
- Profielafmetingen: 30 x 16 x 3 mm
- Bovenrand: 7 mm
- Doorlopende verankeringsprofilering
- Hoekversterking in verzinkt staal
- Ideaal voor beperkte inbouwhoogte
- Geschikt voor intensief belopen zones
Voordelen & Eigenschappen
- Professionele en esthetische afwerking van inkommatten
- Verhoogde stabiliteit door verstevigde bovenrand
- Optimale hechting in chape of tegellijm
- Onvervormbaar dankzij stalen hoekversterkingen
- Corrosiebestendig door anodisatie
- Geen struikelgevaar bij correcte plaatsing
- Maatwerk en onregelmatige vormen mogelijk
Toepassingen
- Inwerken van inkommatten in tegelvloeren
- Residentiële inkomhallen
- Winkels en commerciële ruimtes
- Kantoren en openbare gebouwen
- Renovatieprojecten met beperkte vloeropbouw
- Projectbouw met intensief gebruik
Kies referentie:
Aantal:
Product referenties
| Omschrijving / Ref. | afwerking | materiaal | dikte (in mm) | hoogte (in mm) | kleur | lengte (in cm) | max dikte (mm) | breedte (cm) | Prijs € | |
|---|---|---|---|---|---|---|---|---|---|---|
![]() |
ROSCO INKOMMATKADER PROMA-JAN 800X600X16 EAN: 5400843004589 Er zijn slechts .00 st beschikbaar.Op dit artikel zijn er momenteel geen backorders mogelijk. | Geanodiseerd | Aluminium | - | 16 | Natuurlijk | 80 | 13 | 60 | 63,95 |

